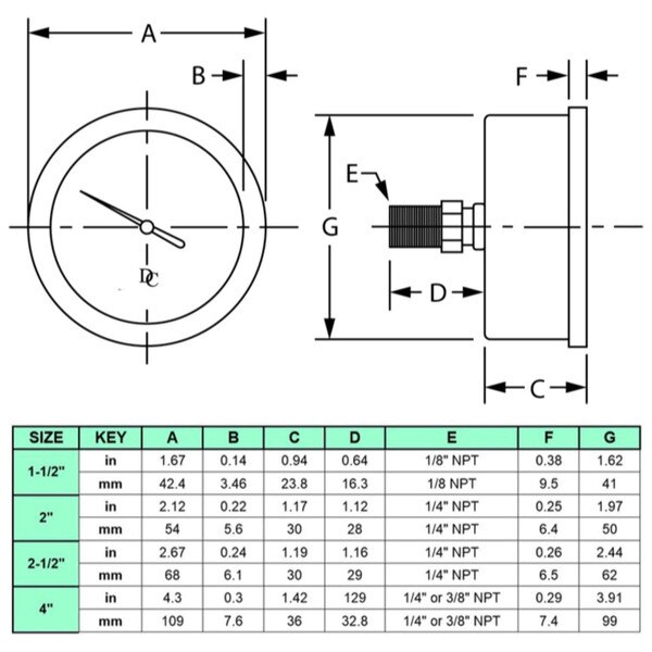
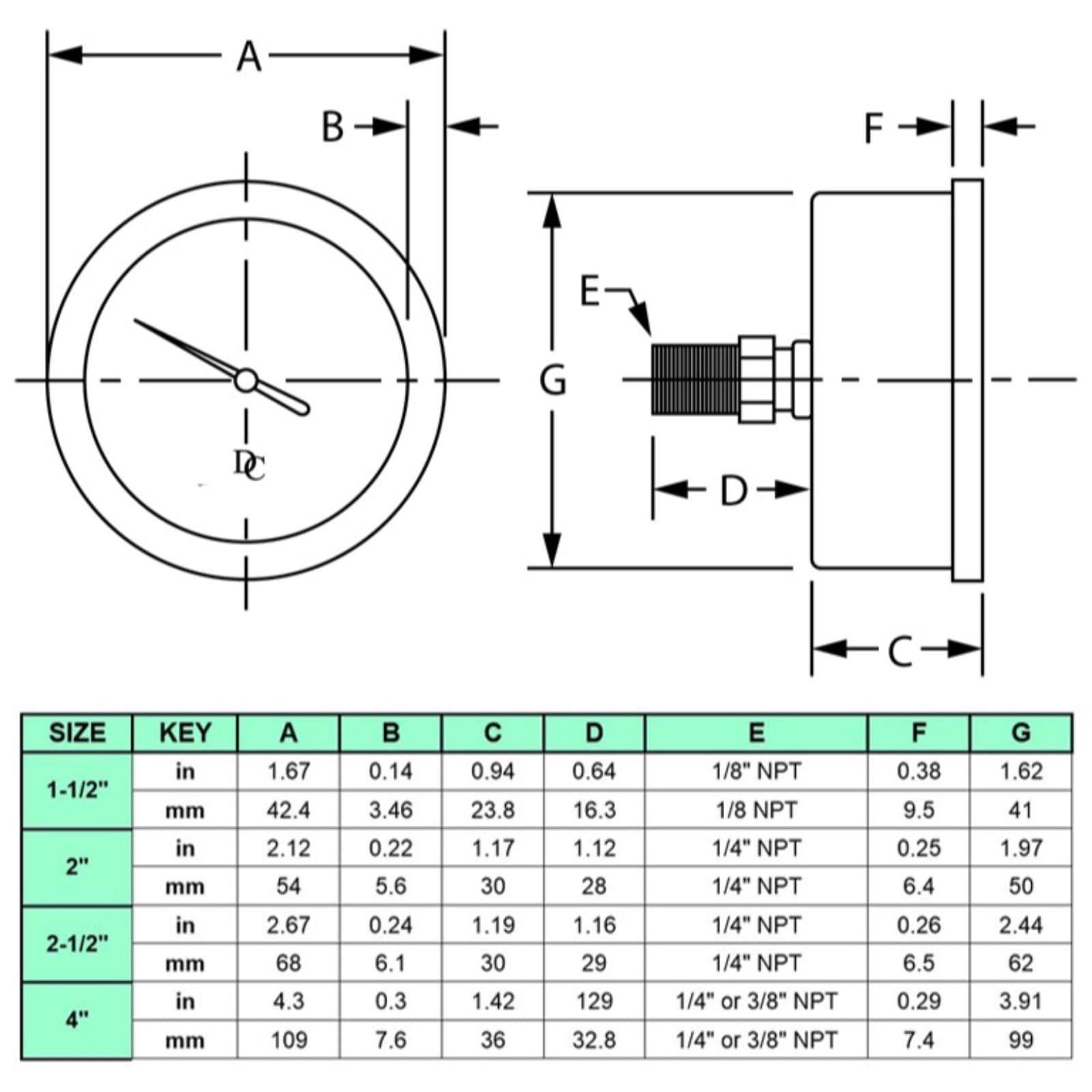
2-1/2" Face Vacuum Gauge Oil Filled Center Back Mount
Manufacturer: DuraChoice
Elevate your pressure measurement standards with DuraChoice's exceptional oil-filled gauges, including our center back mount pressure gauges, which embody the pinnacle of quality and precision. Crafted with meticulous attention to detail, these gauges feature a robust stainless steel case and a durable polycarbonate window, ensuring unparalleled resilience in even the most challenging environments. Internally, copper alloy (brass) connections, movements, and bourdon tubes are engineered to withstand rigorous usage, guaranteeing reliable performance over time. Designed for versatility, our oil-filled gauges excel across a wide range of applications, from water and oil to gas (WOG) and diesel systems, providing trustworthy measurement solutions. With pressure ranges extending from -30HG/0PSI to -30HG/160PSI, our gauges offer comprehensive monitoring capabilities to meet diverse operational needs. Additionally, our 2-1/2" liquid filled center back mount vacuum gauges are ideal for compact spaces, offering enhanced resistance to damage from condensation, vibration, and pulsation. Wrapped in durable stainless steel 304 for protection in adverse conditions, each gauge features a brass movement, bourdon tube, and connection.
2-1/2" Face Vacuum Gauge Oil Filled Center Back Mount
Manufacturer: DuraChoice
DESCRIPTION
Center Back Mount Oil-Filled Vacuum Gauge 2-1/2" Face