2-1/2" Face Vacuum Gauge Oil Filled All Stainless Steel Lower Mount
Manufacturer: DuraChoice
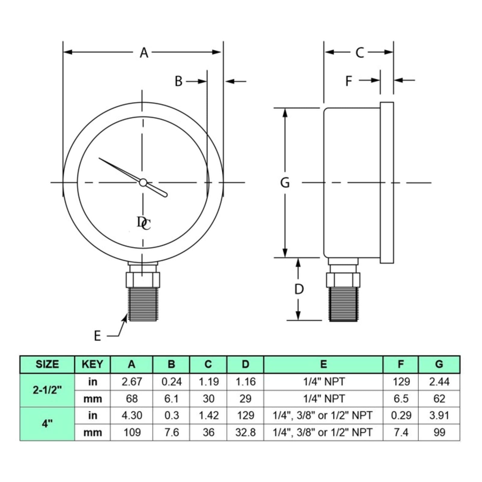
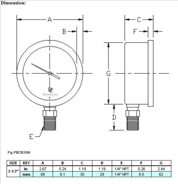
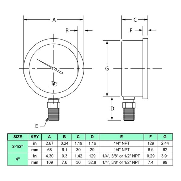
Discover the pinnacle of quality with our premium all stainless steel 2 1/2" oil-filled vacuum gauges, renowned for their exceptional craftsmanship and durability. Engineered with a 1/4" NPT stainless steel lower mount connection, bourdon tube, and movement, these gauges offer superior resistance to corrosion compared to traditional brass connections. Housed within a stainless steel casing and filled with glycerin oil, they effectively mitigate the impact of vibration and pulsation, ensuring accurate readings even in challenging environments. Versatile and reliable, our gauges are suitable for a wide array of applications, including water, oil, gas (WOG), and diesel systems. With an IP66 rating, they offer robust protection against dust and water ingress, making them the ideal choice for demanding industrial settings. Elevate your pressure measurement experience with our premium stainless steel oil-filled vacuum gauges.
2-1/2" Face Vacuum Gauge Oil Filled All Stainless Steel Lower Mount
Manufacturer: DuraChoice
DESCRIPTION
All Stainless Steel Lower Mount Oil-Filled Pressure Gauge 2-1/2" Face